
Specification and Parts atlas
Specification
Project
UNIT
ME10
Operating Weight
kg
950
Power power
kw
7
Dipper capacity
m3
0.025
A
Overall length
mm
2800
B
Total height
mm
1450/2200
C
Overall bandwidth
mm
1000
D
Track width
mm
180
E
Tail rotation radius
mm
650
F
Total length of crawler
mm
1230
G
Wheel spacing
mm
880
Minimum off-ground height
mm
97
Speed of travel
Km/h
2.2
Swiveling speed
rpm
13
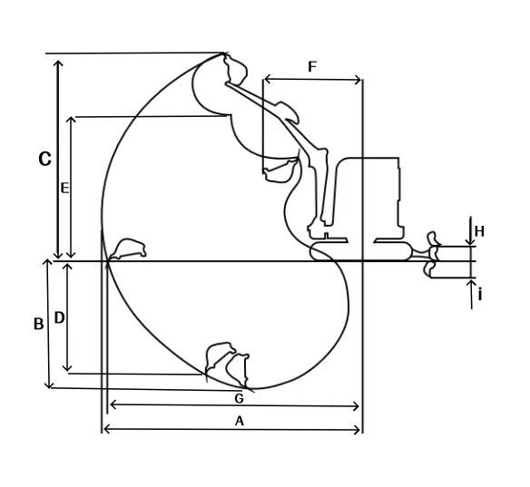
Working range
UNIT
ME10
A
maximum digging radius
mm
2650
B
Maximum mining depth
mm
1700
C
Maximum excavation height
mm
2410
D
Maximum vertical excavation depth
mm
1650
E
Maximum dump clearance
mm
1450
F
Minimum rotary radius of the working device
mm
1000
G
Maximum ground excavation radius
mm
2600
H
Maximum lifting height of the bulldozing shovel
mm
180
I
Bullshovel maximum drop height
mm
180
Parts atlas
NO.
A Name
Dosage
NO.
A Name
Dosage
1
Track frame
1
16
Walking operation handle
2
2
Driving wheel
2
17
Walking operation handle
1
3
Rubber belt track
2
18
Power supply main switch
1
4
Thrust wheel
4
19
Broken hammer operating handle
1
5
The tightening device
2
20
Front armrest
1
6
Guide the wheel
2
21
Move the arm cylinder
1
7
dozer blade
1
22
Push soil shovel cylinder
1
8
Walking motor
2
23
bucket teeth
3
9
Left shield
1
24
The right edge
1
10
Front cover
1
25
basket
1
11
Rear cover
1
26
Left edge
1
12
Seat
1
27
Shovel bucket cylinder
1
13
platfond
1
28
Dipper
1
14
Operating unit handle
2
29
Move the arm cylinder
1
15
Throttle pull line
1
30
The bucket pole cylinder
1
Know Your Machine Better – Performance Starts With Understanding
When choosing construction equipment, numbers and components are more than just technical terms – they are the key to knowing how powerful, efficient, and reliable your machine will be in real work.
In this section, we provide complete technical specifications and clear part breakdowns for every model we offer, so you truly understand what’s behind the machine you invest in.
Our Promise
Every number is tested.
Every component is traceable.
Every improvement is based on real-world feedback..
We believe transparency builds trust – and equipment that earns trust performs better, lasts longer, and supports your business growth.






